



Oficjalny dystrybutor - TR-Electronic, di-soric, Custom, KONTRON, Unidor, ELMEKO, Fujitsu, GeBE, SANEI
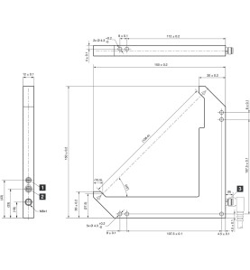
Kątowa laserowa bariera świetlna OGLL jest szczególnie odpowiednia do wykrywania małych części o wielkości do 0,05 mm. Dzięki skolimowanemu czerwonemu światłu laserowemu osiąga się wysoki stopień precyzji punktu przełączania między nadajnikiem a odbiornikiem na całej szerokości widełek. Urządzenia współpracują z taktowanym laserem światła czerwonego w klasie bezpiecznej dla oka lasera 1. Dobrze widoczny, mały punkt lasera umożliwia szybkie dopasowanie do obiektu nawet przy dużej ilości światła otoczenia.
Parametry
ST 7PNG
IOL-Master
IOL-Portable
TKHM-W-10
TKHM-W-2.5
TKHM-W-5
TKHM-Z-10
TKHM-Z-2.5
TKHM-Z-5
FBE 110