



Official distributor - TR-Electronic, di-soric, Custom, KONTRON, Unidor, ELMEKO, Fujitsu, GeBE, SANEI
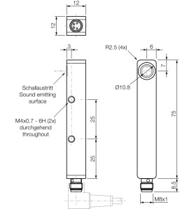
The US-Q12 is the compact class in cubic form and with a small mounting depth. Equipped with an IO-Link interface, the sensor can be operated to switch or to measure. Its area of application is short distances, and the sensitivity is adjusted simply via auto-teach, potentiometer or IO-Link.
ST 7PNG
IOL-Master
IOL-Portable
TKPM-W-10/4
TKPM-W-2.5/4
TKPM-W-5/4
TKPM-Z-10/4
TKPM-Z-2.5/4
TKPM-Z-5/4
TKHM-Z-15/4
TKHM-W-15/4
TKHM-W-2.5/4
TKHM-W-2.5/LP
TKHM-W-5/4
TKHM-W-5/LP
TKHM-Z-10/4
TKHM-Z-2.5/4
TKHM-Z-5/4