



Official distributor - TR-Electronic, di-soric, Custom, KONTRON, Unidor, ELMEKO, Fujitsu, GeBE, SANEI
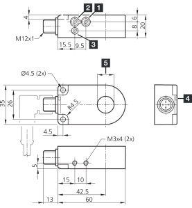
The devices in the IR series are inductive standard ring sensors that can be used to detect even the smallest metallic parts. They are available in Ø 6.1 mm to 151.0 mm models and are well suited for quickly supplied parts.
Data sheet
BW-IR01
ST 7PNG
IOL-Portable