



Distribuitor oficial - TR-Electronic, di-soric, Custom, KONTRON, Unidor, ELMEKO, Fujitsu, GeBE, SANEI
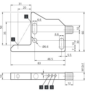
Barierele luminoase unghiulare Disoric funcționează pe principiul barierei luminoase. Sunt utilizate ideal în spații înguste pentru detectarea rapidă a obiectelor, independentă de suprafață. Deoarece emițătorul, receptorul și componentele electronice se află toate într-o singură carcasă, acestea pot fi instalate rapid. Se evită blocările costisitoare și ajustările consumatoare de timp.
Fisa tehnica
ST 7PNG
IOL-Portable
VKHM-W-10/4
VKHM-W-10/4/LP
VKHM-W-2.5/4
VKHM-W-2.5/4/LP
VKHM-W-5/4
VKHM-W-5/4/LP
VKHM-Z-10/4
VKHM-Z-10/4/LP
VKHM-Z-2.5/4
VKHM-Z-2.5/4/LP
VKHM-Z-5/4/LP
VKHM-Z-5/4