


Distribuitor oficial - TR-Electronic, di-soric, Custom, KONTRON, Unidor, ELMEKO, Fujitsu, GeBE, SANEI
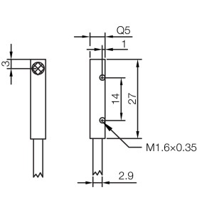
Senzori miniaturali ambițioși cu rezerve de putere enorme, concepuți special pentru cele mai mici și înguste spații, pot fi găsiți în seria noastră INM-300 Miniature Extended. Senzorii sunt disponibili de la Ø 3,0 mm până la M5, precum și într-o formă dreptunghiulară de 5 x 5 mm. Detectarea extrem de precisă în aplicații cu distanțe de detectare extinse și un design compact, carcasă metalică stabilă și cabluri de conectare extrem de flexibile din PVC și PUR caracterizează seria noastră INM-300 Miniature Extended.
Fisa tehnica
ST 7PNG
IOL-Portable